• Home
  • Parts
    • View All Categories
    • Performance Upgrades
    • Used Parts
    • 1 – Engine
    • Engine Electrical
    • 2- Fuel & Emissions
    • 3- Electrical
    • 4-0 Manual Transmission
    • 4-5 Automatic Transmission
    • 5- Suspension & Steering
    • 6-Brakes & Wheels
    • 7- Air Conditioning
    • 8- Frame & Body
    • Apparel
    • Accessories
    • Gift Cards
  • DeLoreans For Sale
  • DeLorean Buyer
  • Services
    • Maintenance
    • Full Restorations
    • Performance Upgrades
  • Performance Upgrades
    • Apex Electric
    • Engine Swap
  • About Us
    • Events
    • Videos
    • Apparel
  • Contact
0 Items
Home\Parts\Fuel & Emissions

Fuel and Emissions parts

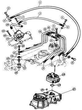
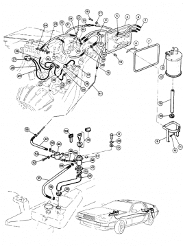
  • 2-1-0 Tank/Hose/Pump/Accumulator

    2-1-0 Tank/Hose/Pump/Accumulator (7)

  • 2-2-0 Fuel Injection System

    2-2-0 Fuel Injection System (7)

  • 2-2-1 Fuel Enrichment System

    2-2-1 Fuel Enrichment System (1)

  • 2-4-0 Evaporative Control System

    2-4-0 Evaporative Control System (1)

  • 2-5-0 Motor/ECU/Microswitches

    2-5-0 Motor/ECU/Microswitches (3)

Contact
(815) 459-6439
info@deloreanmw.com
990 Lutter Dr
Crystal Lake, IL 60014
USA
  • Follow
  • Follow
  • Follow
Shop + Services
Full Service Shop
Car For Sale
Sell Your DeLorean
Apex Electric
Performance Upgrades
Sign Up For Our Newsletter
Newsletter